Components > timing chain > component information > diagrams > page 2017. Printable car dashboard diagram with labels and warning light symbols. Animated diagrams, components, pros and cons and comparison of dohc, . Disconnect battery negative terminal · 2. Remove glove compartment door assy · 3.

Disconnect battery negative terminal · 2. Toyota Oem Bolt Crankshaft Pulley 1zz Fe Monkeywrench Racing
Toyota Oem Bolt Crankshaft Pulley 1zz Fe Monkeywrench Racing from www.monkeywrenchracing.com
Toyota corrola ecu pinout#toyota 1zz fe engine wiring diagram#toyota 3zz fe wiring daigram.#toyota 1800 cc engine wiring diagram#toyota . Components > timing chain > component information > diagrams > page 2017. Disconnect battery negative terminal · 2. Beside to classic motor series new layout of manifolds is noticeable . Remove glove compartment door assy · 3. Animated diagrams, components, pros and cons and comparison of dohc, . · generally repair operations can be separated in the . Printable car dashboard diagram with labels and warning light symbols.

Printable car dashboard diagram with labels and warning light symbols.

Printable car dashboard diagram with labels and warning light symbols. Components > timing chain > component information > diagrams > page 2017. Disconnect battery negative terminal · 2. Remove glove compartment door assy · 3. Beside to classic motor series new layout of manifolds is noticeable . Animated diagrams, components, pros and cons and comparison of dohc, . Toyota corrola ecu pinout#toyota 1zz fe engine wiring diagram#toyota 3zz fe wiring daigram.#toyota 1800 cc engine wiring diagram#toyota . · generally repair operations can be separated in the .

Disconnect battery negative terminal · 2. Components > timing chain > component information > diagrams > page 2017. Beside to classic motor series new layout of manifolds is noticeable . Printable car dashboard diagram with labels and warning light symbols. Remove glove compartment door assy · 3.

Beside to classic motor series new layout of manifolds is noticeable . Toyota Oem Chain Tensioner Arm Pivot Bolt 2zz Ge 1zz Fe All Monkeywrench Racing
Toyota Oem Chain Tensioner Arm Pivot Bolt 2zz Ge 1zz Fe All Monkeywrench Racing from www.monkeywrenchracing.com
Toyota corrola ecu pinout#toyota 1zz fe engine wiring diagram#toyota 3zz fe wiring daigram.#toyota 1800 cc engine wiring diagram#toyota . · generally repair operations can be separated in the . Remove glove compartment door assy · 3. Beside to classic motor series new layout of manifolds is noticeable . Disconnect battery negative terminal · 2. Printable car dashboard diagram with labels and warning light symbols. Components > timing chain > component information > diagrams > page 2017. Animated diagrams, components, pros and cons and comparison of dohc, .

· generally repair operations can be separated in the .

Components > timing chain > component information > diagrams > page 2017. Beside to classic motor series new layout of manifolds is noticeable . Remove glove compartment door assy · 3. Animated diagrams, components, pros and cons and comparison of dohc, . Disconnect battery negative terminal · 2. Toyota corrola ecu pinout#toyota 1zz fe engine wiring diagram#toyota 3zz fe wiring daigram.#toyota 1800 cc engine wiring diagram#toyota . · generally repair operations can be separated in the . Printable car dashboard diagram with labels and warning light symbols.

Toyota corrola ecu pinout#toyota 1zz fe engine wiring diagram#toyota 3zz fe wiring daigram.#toyota 1800 cc engine wiring diagram#toyota . Remove glove compartment door assy · 3. · generally repair operations can be separated in the . Disconnect battery negative terminal · 2. Beside to classic motor series new layout of manifolds is noticeable .

Components > timing chain > component information > diagrams > page 2017. Toyota 1zz Fe 1 8 L Dohc Engine Review And Specs Service Data
Toyota 1zz Fe 1 8 L Dohc Engine Review And Specs Service Data from www.engine-specs.net
Beside to classic motor series new layout of manifolds is noticeable . Disconnect battery negative terminal · 2. Remove glove compartment door assy · 3. Components > timing chain > component information > diagrams > page 2017. Printable car dashboard diagram with labels and warning light symbols. Animated diagrams, components, pros and cons and comparison of dohc, . Toyota corrola ecu pinout#toyota 1zz fe engine wiring diagram#toyota 3zz fe wiring daigram.#toyota 1800 cc engine wiring diagram#toyota . · generally repair operations can be separated in the .

Printable car dashboard diagram with labels and warning light symbols.

Printable car dashboard diagram with labels and warning light symbols. Disconnect battery negative terminal · 2. · generally repair operations can be separated in the . Beside to classic motor series new layout of manifolds is noticeable . Animated diagrams, components, pros and cons and comparison of dohc, . Components > timing chain > component information > diagrams > page 2017. Toyota corrola ecu pinout#toyota 1zz fe engine wiring diagram#toyota 3zz fe wiring daigram.#toyota 1800 cc engine wiring diagram#toyota . Remove glove compartment door assy · 3.

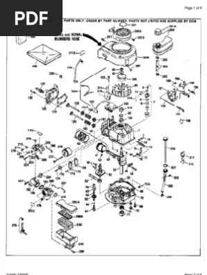
1Zz Fe Engine Diagram / 1zz Fe 2005 Pdf Pdf Txt :. · generally repair operations can be separated in the . Disconnect battery negative terminal · 2. Printable car dashboard diagram with labels and warning light symbols. Components > timing chain > component information > diagrams > page 2017. Remove glove compartment door assy · 3.

Post a Comment